Description
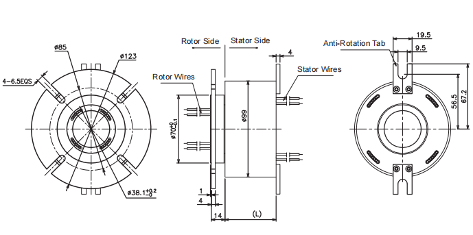
The HT3899F series through bore slip ring features a bore diameter of 38.1mm, an outer diameter of 99mm, and 1–72 channels. It supports signal transmission (2A) as well as power transmission at 5 A or 10 A, with a rated voltage of 380 VAC / 24 VDC.
Specifications
Working Speed: 0-300RPM
Contact Material: Precious Metal
Lead Wire Length: Stator / Rotor: 300mm
Protection Degree: IP51
Insulation Resistance:≥500MΩ@500VDC
Drawing

Product Selection

Features
1. Transmission Capabilities: Capable of transmitting both analog and digital signals
2. Mixed Transmission: Supports the mixed transmission of power and various signals, including:
(1)、Ethernet:Rates of 10Mbps, 100Mbps, 1000Mbps
(2)、Industrial Ethernet: EtherNet, EtherCAT, ProfiNet, Powerlink, SercosIII/IP, etc
(3)、High-Definition Video: SDI, LVDS, etc
(4)、Serial Communication: RS232, RS485, RS422, etc
(5)、Universal Serial Bus: USB 2.0
(6)、Industrial Fieldbus: CANBus, ProfiBus, InterBus, CC-Link, DeviceNet, etc
(7)、Sensor Signals: Thermocouples, RTDs, Strain Gauges, etc
3. Designed primarily for pneumatic and hydraulic media transmission or for mounting on rotating motor shafts.
4. Featuring advanced precious metal brush multi-point contact technology, ensuring reliable electrical connection under extremely low friction.
5. Durability: Exceptionally long lifetime, maintenance-free
6. Ease of Installation: Easy to install
Main Applications
Robots
Industrial automation equipment
Medical equipment
Test equipment
Exhibition/Display equipment
Packaging machinery
Turntable equipment
Amusement equipment
High-speed railway equipment
Marine & offshore equipment
Construction machinery
Wind power equipment
Customizable Options
1. The center through-bore options range from 0 to 1000 mm, with current capacities from 0 to 5000A. The voltage capacity can reach up to 10000V.
2. Working Temperature:Standard range: -30℃~+70℃, Custom range: -60℃~+200℃
3. Working Speed:Standard: 0~300RPM, Customizable: up to 0 ~ 20000 RPM
4. Reference Lifetime:Standard: 20 million revolutions @ 300RPM, Extended lifetime slip rings available upon request
5. Housing Material:Options include engineering plastics, aluminum alloy, and stainless steel
6. IP Grade: Standard: IP51, Customizable: up to IP68
7. Type of Connectors and Length:Various connector types and lengths available upon request
8. Integration Capabilities:Can be integrated with pneumatic, hydraulic, RF, and fiber optic rotary joints
9. Signal Support:Supports simultaneous transmission of multiple signals, including industrial Ethernet, serial, industrial bus, USB, SDI, etc.
