Description
HLS010-12 Separate slip ring consists of an independent rotor and brush assembly. The rotor section can be designed with a through-bore for hydraulic channels, pneumatic channels, or drive shaft mounting, allowing better adaptation to space constraints and specific installation requirements.
Specifications
Circuits: 12 circuits
Working Temperature: -40℃~80℃
Working Humidity: 0~85%RH
Working Speed: 0-300RPM
Contact Material: Precious Metal
Insulation Resistance:≥500MΩ@500VDC
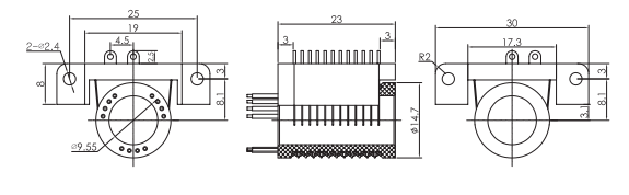
Drawing

Features
The separated rotor and brush block design effectively solves installation space constraints. Available from 2 to 36 circuits.
Available in through-bore sizes from 9.5 mm to 100 mm, or solid shaft options. Especially suitable for compact precision instruments and small equipment.
Rotor and stator can be installed independently.
Compact structure saves installation space and reduces overall weight.
V-groove gold-plated ring design provides excellent oxidation resistance and superior wear resistance.
Main Applications
Industrial machining centers
Rotary tables
Heavy equipment turrets
Cable reels, packaging equipment
Magnetic clutches
Process control equipment
Rotary sensors
Emergency lighting equipment
Robots, exhibition/display equipment
Medical equipment
Revolving doors
Customizable Options
1. The center through-bore options range from 0 to 100mm, with current capacities from 0 to 5000A. The voltage capacity can reach up to 10000V.
2. Working Temperature:Standard range: -30℃~+70℃, Custom range: -60℃~+200℃
3. Working Speed:Standard: 0~300RPM, Customizable: up to 0 ~ 20000 RPM
4. Reference Lifetime:Standard: 20 million revolutions @ 300RPM, Extended lifetime slip rings available upon request
5. Type of Connectors and Length:Various connector types and lengths available upon request
